Klicken Sie hier um Ihren eigenen Text einzufügen
News
- Status Information Lieferzeiten einiger Geräte24. Juni 2021 - 9:02
- AJAX Spezial Event 2021 neue Melder und Funktionen21. Mai 2021 - 8:46
Seiten
- AJAX MotionCam
- Ajax Relay
- Allgemeine Geschäftsbedingungen
- Anleitungen und Updates IP Sprechanlage
- Cookie-Richtlinie (EU)
- DT27S Anleitung
- Echtheit von Bewertungen
- Fragen und Antworten zur IP Sprechanlage HIKVISION / Installation & Einrichten
- Geschäftsbedingungen
- HIKVISION Passwort zurücksetzen
- Kasse
- Klingelton HIKVISION IP Sprechanlage ändern
- Mein Konto
- MultiTransmitter Verbinden kabelgebundener Alarmanlagen
- TFT Modul T5 Manual
- Updates und Verbesserungen der neuen Firmware und APP VDP Connect
- Versandkosten
- Warenkorb
- WBM Wi-Fi Monitore neue Version und APP VDP Connect
- Widerrufsbelehrung
- Endkundenshop Sicherheitstechnik
- Firmware V1.8.1 und Kompatibilitätseinstellung für neue App
- IP Sprechanlage 2 Draht & LAN
- SIP Account einrichten an HIKVISION IP Sprechanlage
- So aktualisieren Sie die neue Firmware für Wi-Fi-Monitore
- Was ist besser 2 Draht IP oder LAN Sprechanlage?
- Welche Kabel bei IP Sprechanlagen verwenden und wie verdrahten
- Wo wird der Etagenruftaster bei HIKVISION Sprechanlage (Taster an der Wohnungstür) angeschlossen
- Fehlerbehebung und Tipps
- Kontakt
- NWS FW Update V3
- Ajax Hub & HUB2
- Anleitung DT607
- Anleitung und Einrichtung WIFI Monitore
- BDU Anleitung / Manual
- Einrichten DVR
- Fehler 4 Draht (altes System)
- Installation Sprechanlage Stern
- Installation von Monitor zu Monitor
- Keine Bildanzeige auf DT47MG Sprechanlagen Monitor in Verbindung mit DT607
- MB87 V2 FW Update SIP
- Modulare Video Türklingel DT821
- SD Card Backup RFID Cards & Codes DT821
- Türöffner öffnet nicht
- Update Firmware WiFi/SIP Monitore 1.6.9 mit 2easy APP
- Zubehör DVR
- AJAX MultiTransmitter
- Ajax SpaceControl
- DT821 FP Fingerprint-Modul
- Einbruchschutz mit Weltraumtechnik / Ajax Alarmanlagen System /Eine neue Generation von drahtlosen Sicherheitssystemen
- Firmware Update DMR12 ID Türklingel Sprechanlage
- Namenschilder Türsprechanlage wechseln
- Batteriehinweise
- Namensschilder Vorlagen Sprechanlage
- Update Firmware DMR21VD (DSB42VD) und DT821VD Türklingel
- Winkel Kamera 170 ° fe Version auf 170° einstellen für Standard Ansicht
- DVR an MyFritz
- DVR Tipps
- HomeSiren
- IP Sprechanlage mit APP 2MP HD Linux System
- NWS-V2 SIP Modul Anleitung
- SIP Weiterleitung über FritzBOX
- Türklingel SH-DSB1207
- Zertifikate AJAX Alarm
- Ajax StreetSiren
- Anleitung AJAX HUB einrichten
- Anleitungen zu Meldern, Zubehör, Support Ajax /Ajax Fire Protect reinigen Rauchmelder Staubgehalt
- KeyPad
- Türklingel DT591
- Ajax Motion Protect
- MotionProtectPlus
- Neue Funktionen AJAX HUB & APP
- Türklingel DT597
- AJAX MotionProtect Outdoor
- Türklingel DT601KP
- Video & IP Türsprechanlage, AJAX Alarmanlage, Videoüberwachung
- AJAX MotionProtect Curtain
- DT607 Update Firmware
- Einstellung Sprechanlage mit Sprechanlagen-Funktion an Fritz BOX
- Property Set Code Sprechanlage
- Tech Support
- Türklingel DT601ID
- Ajax CombiProtect
- Kaliber Screen Sprechanlagen Monitor
- DT602/DT602D
- Fehler beim Anschluss und Einrichtung BUS Sprechanlage
- SH-NWS-V2 Gateway Modul 2 Draht Hybrid Netzwerk Modul
- Sprechanlage kaufen
- Türklingel DT603 1& 2 Familienhaus Unterputz
- UI Menüfile Update
- Sprechanlagen Konfigurator
- Update Firmware T47M Sprechanlagen Monitor
- Ajax DoorProtect
- Software DT27SD Monitor
- Türklingel Set
- Ajax GlassProtect
- Türklingel Einfamilienhaus AP
- Türklingel Einfamilienhaus UP
- Fehler bei der Instalation 4 Draht Sprechanlage
- Türklingel DMR18 LCD
- Türklingel Mehrfamilienhaus AP
- DVR Software
- Türklingel DMR21
- Türklingel Mehrfamilienhaus UP
- Hybrid 5 in1 XVR Software
- Ajax LeaksProtect
- WLAN IP Kamera via WIFI einbinden
- News
- Ajax WallSwitch
- Anleitungen Monitore
- Ajax FireProtect Plus
- Anleitungen Türklingel
- Türsprechanlage BUS Türklingel
- Anschluss-Service Sprechanlagen
- Türklingel nach Modell
- Verstärkung Anleitung
- Ajax FireProtect
- BUS Sprechanlage Zusatzgeräte Anleitungen
- Monitore Sprechanlage Übersicht
- Umfrage
- Ajax ocBridge Plus
- Ajax Transmitter
- Monitore WBM Serie BUS WiFi Türsprechanlage
- DT-BDU Sprechanlage BUS Verstärker
- Partner werden
- Türsprechanlagen Zubehör
- uartBridge
- Bald neu bei AJAX
- Netzwerkschnittstelle DT-IPC
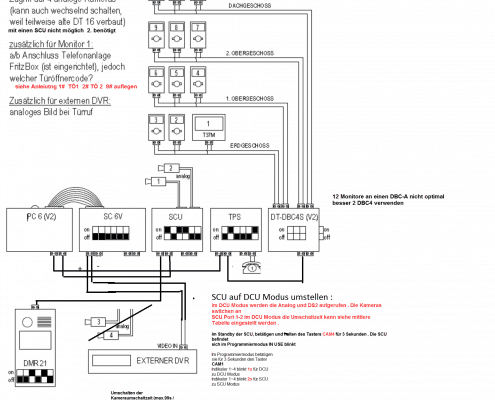
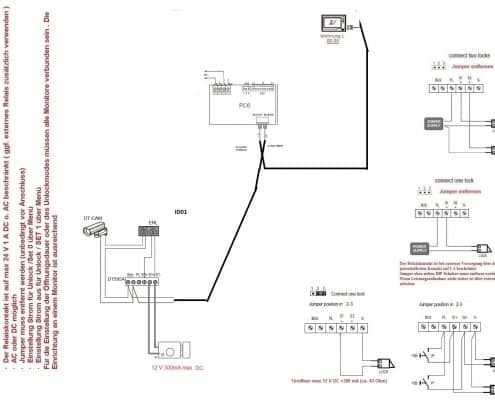
- Anschlusszeichnungen Sprechanlagen
- Datenschutz
- Reset SC6 Bild/ Videospeicher
- Was ist bei der Planung einer Videosprechanlage zu beachten
- Impressum
- Warum ist eine 2 Draht BUS Sprechanlage Klingelanlage eine gute Wahl
- DMR21 Software und Updates
- Türöffner Empfehlungen
- Update FW DT597
- DT601FP Fingerprint Update
- DT601ID Update/Reset
- Funkalarmanlagen sicher ?
- DVR Kamera Rekorder
- Software für Türsprechanlagen
- Update Firmware Türklingel Außenstationen
- Briefkasten Sprechanlage BK-DSB42 modular
- Software DMR18
- DMR18S Software +Update
- Kundenmeinungen
- Firmware/ UI / Mem / hex
- Sprechanlagen Planer
- T39/DT16CS Master Set Datum/Zeit
- Installationsfehler BUS
- Installationspartner
- Türöffner über ERL Relais































